Anbieter einloggen
Home
Newsletter
Registrieren Sie sich für unseren monatlichen Newsletter.
Ihre Adresse wird nicht an Dritte weitergegeben.
Zu unseren Datenschutz-Bestimmungen.

       

Produktnews
07.02.2024  |  4083x
Diesen Beitrag teilen

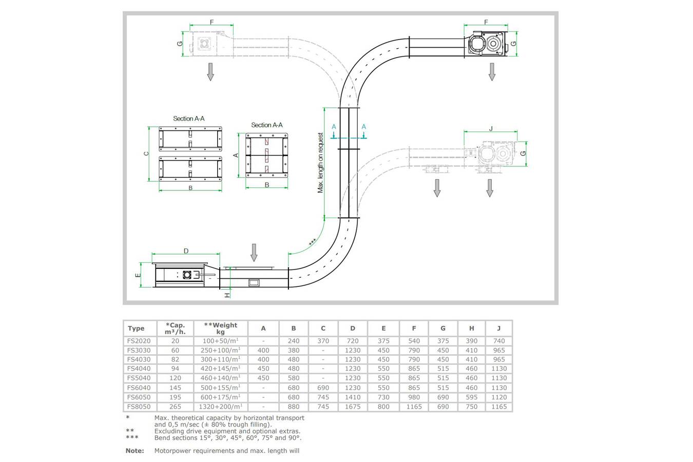
Poeth Z- oder C-Conveyor ideal bei begrenzter Höhe

Mit dem Z-Förderer in der C-Ausführung kann relativ einfach ein Höhenunterschied erreicht werden. Der Förderer ist auch für sehr wässrige Produkte geeignet.
Es kommt häufig vor, dass eine zusätzliche Siebstufe oder Metalldetektionsstufe in eine bestehende Situation eingebaut werden muss. Es ist jedoch nicht genügend Höhe vorhanden.
Mit dem Z-Förderer in der C-Ausführung kann relativ einfach ein Höhenunterschied erreicht werden. Der Förderer ist auch für sehr wässrige Produkte geeignet.

Anwendung

Der Schrägkettenförderer ist für den Transport einer Vielzahl von trockenen, frei fließenden Schüttgütern (auch für feine Pulver geeignet) entweder horizontal, auf einer Schräge oder einer Kombination aus beidem konzipiert.

Betrieb

Die Kunststoffmitnehmer werden von einer Kette getragen und befinden sich alle in einem Standardtrog. Die Schüttgüter fließen gleichmäßig und sanft. Alle Materialien werden ”en masse” befördert, ohne zu taumeln, wodurch Materialbewegung und Reibung auf ein Minimum reduziert werden. Partikelabbau und -trennung werden ebenfalls auf ein Minimum reduziert.

Konstruktion

  • Standard-Zwischenstücke.
  • Biegeabschnitte 15°, 30°, 45°, 60°, 75° und 90°
  • Kettenrad-Rücklaufsystem.
  • Ganzstahlkette
  • Auswechselbare Kunststoffmitnehmer.
  • Antriebsausrüstung.
  • (Bypass) Einlass.
  • Auslass.
  • Effizientes und einfaches Design.
  • Vollständig geschlossen.

Vorteile

  • Schonender Materialtransport.
  • Maßgeschneidert auf die individuellen Anforderungen.
  • Bis zu 150 t/h.

Optionale Ausstattungen

  • Konstruktion aus rostfreiem Stahl.
  • Abriebfeste Böden oder verschraubte seitliche Auskleidungspakete.
  • Bypass-Einlass.
  • Auslaufklappen.
  • Überlaufanzeige.

Firmeninformation

Poeth BV
Poeth BV
Poeth ist spezialisiert auf hochwertige Maschinen und Produktionslinien für die Verarbeitung einer breiten Palette von Trockenmaterialien. Wir entwickeln, produzieren und installieren alle unsere Maschinen und führen alle Projekte mit eigenem Personal durch, was es uns ermöglicht, flexible und erschwingliche maßgeschneiderte Lösungen für unsere Kunden anzubieten. Seit unserer Gründung im Jahr 1921 haben wir uns einen reichen Schatz an Wissen und Erfahrung im landwirtschaftlichen und industriellen Bereich angeeignet. Heute sind wir ein führender Anbieter von Produktionsprozessen für die Futtermittel-, Lebensmittel-, Brauerei- und Schüttgutindustrie. Branchen Poeth entwickelt, produziert, montiert und nimmt in Betrieb, anspruchsvolle Maschinen und Produktionslinien für verschiedene Prozesse in der Feststoffverarbeitung. Unser Wissen und unsere Erfahrung basiert hauptsächlich auf agrarindustriellen Prozessen, seit 1921. Anwendungen von Poeth-Maschinen und Prozesserfahrungen finden sich sowohl in der Lebensmittelverarbeitung als auch z.B. im Recycling von Biomasse. Ein wichtiges Produkt ist ein umfangreiches Programm von industriellen Staubfiltern. Produkte Technologische Lösungen für die Feststoffaufbereitung: Unser Produktprogramm umfasst hochwertige Technologie- und Servicelösungen für die Handhabung, Förderung und Aufbereitung in unterschiedlichen Branchen. Wir beraten und unterstützen unsere Kunden bei Entscheidungen über wichtige Investitionen mit Know-how und Erfahrung. Mit unserem fortschrittlichen Filterprogramm helfen wir Ihnen bei der Lösung von Emissionsproblemen. Für ein breites Spektrum staubhaltiger Produkte ist Erfahrung vorhanden.
Letztes Update: 01.12.2021

Mehr Beiträge

 Poeth bietet eine breite Palette an Big-Bag-Abfülllösungen
Poeth bietet eine breite Palette an Big-Bag-Abfülllösungen
Zur Abfüllung von Produkten werden zunehmend Big Bags eingesetzt. Poeth bietet eine breite Palette an Lösungen zum Befüllen dieser Big Bags: - Big Bag automatisch zuknöpfen - Vibrationsboden zum Verdichten von Pulvern/Granulaten - Automatisches Entladen von Big-Bag-Schlaufen - Rollenbahn oder Kettenförderer - Neigbarer Füllkopf für verbesserte Ergonomie - Big Bag, der an einem Kettenförderer aufgehängt ist, damit sich extrem wässrige Pulver wie Soja absetzen können.
08.01.2024  |  3629x  |  Produktnews  |   | 
Poeth Filter: Kundenspezifisch ist für uns Standard Poeth Solids Processing stellt seit über 100 Jahren Entstaubungsfilter im eigenen Haus her, was Flexibilität bietet und die Auswirkungen der Transportkosten minimiert.
Poeth Filter: Kundenspezifisch ist für uns Standard
Poeth Solids Processing stellt seit über 100 Jahren Entstaubungsfilter im eigenen Haus her, was Flexibilität bietet und die Auswirkungen der Transportkosten minimiert. Staubabsaugfilter Seit seiner Gründung entwickelt und produziert Poeth Solids Processing seit mehr als 100 Jahren Staubabsaugfilter in allen Formen und Größen. Der gesamte Produktionsprozess findet im eigenen Haus statt, sodass wir flexibel auf Sonderwünsche des Marktes reagieren können. Interessant wird es vor allem dann, wenn die verfügbare Höhe oder Grundfläche sehr begrenzt ist. Seit der Corona-Zeit sind die Kosten für Überseetransporte erheblich gestiegen. Bei vielen Unternehmen, die Teile in Fernost produzieren ließen, sind die Selbstkostenpreise in den letzten Jahren erheblich gestiegen. Automatisierung des Produktionsprozesses Poeth hingegen hat erheblich in die weitere Automatisierung des Produktionsprozesses investiert und produziert fast alle Teile vollständig im eigenen Haus und ist nicht auf Dritte angewiesen. Verschiedene Kunden in Europa suchten aufgrund erhöhter Kosten und unzuverlässiger Lieferzeiten nach Alternativen und landeten
04.11.2023  |  4008x  |  Produktnews  | 
 Poeth Hammermühle Test Anlage
Poeth Hammermühle Test Anlage
Immer mehr Produkte, die aus Gründen wie Farbe oder Überproduktion abgelehnt werden, finden hochwertige Anwendungen als Zutaten für neue Produkte. Die Fermentation ist bei vielen Produkten nicht mehr der Standard. Nach einem Trocknungsprozess können diese Produkte auf Poeths eigene ATEX-zertifizierte Mahlanlage getestet werden. Unterschiedlichste Produkte wurden bereits erfolgreich auf z.B. erreichbare Mahlleistung und Feinheit getestet: * Protein der Schwarzen Soldatenfliege (Insekten fressen aus Restnahrungsströmen). * extrudierte Kartoffelstärke, gewonnen aus der Pommes-Frites-Industrie * getrocknete Kartoffelchips * getrocknete Karottenstücke * getrocknete Zuckerrübenschnitzel Aber auch Non-Food-Produkte können auf der Versuchsanlage vermahlen werden, z.B. * nicht verwertbare Abfälle aus Verbraucherabfällen (Kraftstoff für Kraftwerke) * Pferdemist, verwendbar als Brennstoff * Elektronikschrott => Leiterplatten enthalten hochwertige Edelmetalle
21.09.2023  |  3510x  |  Produktnews  | 
 Poeth Z-Conveyor für feine Manganpulver Kurven in einem pneumatischen Fördersystem für Manganpulver nutzten sich alle 3-4 Wochen ab. Dauertests mit dem langsamen Z-Förderer haben gezeigt, dass dies eine praktikable Lösung ist.
Poeth Z-Conveyor für feine Manganpulver
Kurven in einem pneumatischen Fördersystem für Manganpulver nutzten sich alle 3-4 Wochen ab. Dauertests mit dem langsamen Z-Förderer haben gezeigt, dass dies eine praktikable Lösung ist. In der Vergangenheit wurde für den Förderung von feinen Manganpulvern häufig pneumatische Förderung eingesetzt. Aber auch bei niedrigen Geschwindigkeiten (Dichtstromförderung) war der Verschleiß an den Bögen erheblich. Die Bögen mussten alle 3-4 Wochen ausgetauscht werden. Aus diesem Grund wurde für die neue Linie der langsame Z-Conveyor-Transport (0,2-0,4 m/s) gewählt. Um kein unnötiges Risiko einzugehen, wurden im Vorfeld umfangreiche Dauertests auf der Testanlage Poeth durchgeführt. Die Testanlage kann im „Closed-Loop“ betrieben werden, so dass Dauertests relativ einfach durchgeführt werden können. Weitere Vorteile: - Der Förderer kann mit mehreren Einlässen und mehreren Auslässen ausgestattet werden - bezahlbare Ersatzteile - sehr gut geeignet für Atex-Anwendungen, wo keine zusätzlichen Langzeiteinrichtungen erforderlich sind.
02.03.2023  |  4689x  |  Produktnews  | 
PORTALS
Schuettgut-Portal BulkSolids-Portal Recycling-Portal
Related
Bulkgids.nl
Erhalten Sie unseren Newsletter
Newsletter Archiv
Service und Kontakt
Impressum, KontaktDisclaimerDatenschutzerklärungWerbung
FOLLOW US
Linked